qml.LocalHilbertSchmidt

class LocalHilbertSchmidt(V, U, id=None)[source]

Bases: HilbertSchmidt

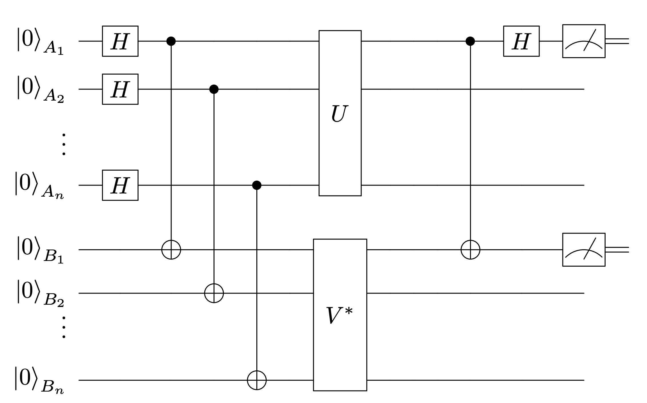
Create a Local Hilbert-Schmidt template that can be used to compute the Local Hilbert-Schmidt Test (LHST).

The result of the LHST is a useful quantity for compiling a unitary U with an approximate unitary V. The LHST is used as a distance between U and V. It is similar to the Hilbert-Schmidt test, but the measurement is made only on one qubit at the end of the circuit. The LHST cost is always smaller than the HST cost and is useful for large unitaries.

../../_images/lhst.png
Parameters:
  • V (Operator or Iterable[Operator]) – The operators that represent the approximate compiled unitary V.

  • U (Operator or Iterable[Operator]) – The operators that represent the unitary U.

  • id (str or None) – Optional identifier for the operation.

Raises:
  • ValueErrorV is not an Operator or an iterable of Operators.

  • ValueErrorU is not an Operator or an iterable of Operators.

  • ValueErrorU and V do not have the same number of wires.

  • ValueError – Operators in U must act on distinct wires from those in v_wires.

Reference

[1] Sumeet Khatri, Ryan LaRose, Alexander Poremba, Lukasz Cincio, Andrew T. Sornborger and Patrick J. Coles Quantum-assisted Quantum Compiling. arxiv/1807.00800

See also

HilbertSchmidt

Consider that we want to evaluate the Local Hilbert-Schmidt Test cost between the unitary U and an approximate unitary V. We need to define some functions where it is possible to use the LocalHilbertSchmidt template. Here the considered unitary is CZ and we try to compute the cost for the approximate unitary.

import numpy as np

params = [3 * np.pi / 2, 3 * np.pi / 2, np.pi / 2]

U = qml.CZ(wires=(0, 1))

V = [qml.RZ(params[0], wires=2),
    qml.RZ(params[1], wires=3),
    qml.CNOT(wires=[2, 3]),
    qml.RZ(params[2], wires=3),
    qml.CNOT(wires=[2, 3])]

dev = qml.device("default.qubit", wires=4)

@qml.qnode(dev)
def local_hilbert_test(V, U):
    qml.LocalHilbertSchmidt(V, U)
    return qml.probs()

def cost_lhst(V, U):
    return 1 - local_hilbert_test(V, U)[0]

Now that the cost function has been defined it can be called for specific parameters:

>>> cost_lhst(V, U)
np.float64(0.5...)

arithmetic_depth

Arithmetic depth of the operator.

basis

The basis of an operation, or for controlled gates, of the target operation.

batch_size

Batch size of the operator if it is used with broadcasted parameters.

control_wires

Control wires of the operator.

data

Flattened list of operator data in this HilbertSchmidt operation.

grad_method

grad_recipe

Gradient recipe for the parameter-shift method.

has_adjoint

has_decomposition

has_diagonalizing_gates

has_generator

has_matrix

has_sparse_matrix

hash

Integer hash that uniquely represents the operator.

hyperparameters

Dictionary of non-trainable variables that this operation depends on.

id

Custom string to label a specific operator instance.

is_verified_hermitian

This property determines if an operator is verified to be Hermitian.

name

String for the name of the operator.

ndim_params

Number of dimensions per trainable parameter of the operator.

num_params

Number of trainable parameters that the operator depends on.

num_wires

Number of wires the operator acts on.

parameter_frequencies

Returns the frequencies for each operator parameter with respect to an expectation value of the form \(\langle \psi | U(\mathbf{p})^\dagger \hat{O} U(\mathbf{p})|\psi\rangle\).

parameters

Trainable parameters that the operator depends on.

pauli_rep

A PauliSentence representation of the Operator, or None if it doesn't have one.

resource_keys

The set of parameters that affects the resource requirement of the operator.

resource_params

A dictionary containing the minimal information needed to compute a resource estimate of the operator's decomposition.

wires

Wires that the operator acts on.

arithmetic_depth

Arithmetic depth of the operator.

basis

The basis of an operation, or for controlled gates, of the target operation. If not None, should take a value of "X", "Y", or "Z".

For example, X and CNOT have basis = "X", whereas ControlledPhaseShift and RZ have basis = "Z".

Type:

str or None

batch_size

Batch size of the operator if it is used with broadcasted parameters.

The batch_size is determined based on ndim_params and the provided parameters for the operator. If (some of) the latter have an additional dimension, and this dimension has the same size for all parameters, its size is the batch size of the operator. If no parameter has an additional dimension, the batch size is None.

Returns:

Size of the parameter broadcasting dimension if present, else None.

Return type:

int or None

control_wires

Control wires of the operator.

For operations that are not controlled, this is an empty Wires object of length 0.

Returns:

The control wires of the operation.

Return type:

Wires

data

Flattened list of operator data in this HilbertSchmidt operation.

grad_method = None
grad_recipe = None

Gradient recipe for the parameter-shift method.

This is a tuple with one nested list per operation parameter. For parameter \(\phi_k\), the nested list contains elements of the form \([c_i, a_i, s_i]\) where \(i\) is the index of the term, resulting in a gradient recipe of

\[\frac{\partial}{\partial\phi_k}f = \sum_{i} c_i f(a_i \phi_k + s_i).\]

If None, the default gradient recipe containing the two terms \([c_0, a_0, s_0]=[1/2, 1, \pi/2]\) and \([c_1, a_1, s_1]=[-1/2, 1, -\pi/2]\) is assumed for every parameter.

Type:

tuple(Union(list[list[float]], None)) or None

has_adjoint = False
has_decomposition = True
has_diagonalizing_gates = False
has_generator = False
has_matrix = False
has_sparse_matrix = False
hash

Integer hash that uniquely represents the operator.

Type:

int

hyperparameters

Dictionary of non-trainable variables that this operation depends on.

Type:

dict

id

Custom string to label a specific operator instance.

Warning

The id keyword argument is deprecated and will be removed in v0.46.

is_verified_hermitian

This property determines if an operator is verified to be Hermitian.

Note

This property provides a fast, non-exhaustive check used for internal optimizations. It relies on quick, provable shortcuts (e.g., operator properties) rather than a full, computationally expensive check.

For a definitive check, use the pennylane.is_hermitian() function. Please note that this comes with increased computational cost.

Returns:

The property will return True if the operator is guaranteed to be Hermitian and False if the check is inconclusive and the operator may or may not be Hermitian.

Return type:

bool

Consider this operator,

>>> op = (qml.X(0) @ qml.Y(0) - qml.X(0) @ qml.Z(0)) * 1j

In this case, Hermicity cannot be verified and leads to an inconclusive result:

>>> op.is_verified_hermitian # inconclusive
False

However, using pennylane.is_hermitian() will give the correct answer:

>>> qml.is_hermitian(op) # definitive
True
name

String for the name of the operator.

ndim_params

Number of dimensions per trainable parameter of the operator.

By default, this property returns the numbers of dimensions of the parameters used for the operator creation. If the parameter sizes for an operator subclass are fixed, this property can be overwritten to return the fixed value.

Returns:

Number of dimensions for each trainable parameter.

Return type:

tuple

num_params

Number of trainable parameters that the operator depends on.

By default, this property returns as many parameters as were used for the operator creation. If the number of parameters for an operator subclass is fixed, this property can be overwritten to return the fixed value.

Returns:

number of parameters

Return type:

int

num_wires = None

Number of wires the operator acts on.

parameter_frequencies

Returns the frequencies for each operator parameter with respect to an expectation value of the form \(\langle \psi | U(\mathbf{p})^\dagger \hat{O} U(\mathbf{p})|\psi\rangle\).

These frequencies encode the behaviour of the operator \(U(\mathbf{p})\) on the value of the expectation value as the parameters are modified. For more details, please see the pennylane.fourier module.

Returns:

Tuple of frequencies for each parameter. Note that only non-negative frequency values are returned.

Return type:

list[tuple[int or float]]

Example

>>> op = qml.CRot(0.4, 0.1, 0.3, wires=[0, 1])
>>> op.parameter_frequencies
[(0.5, 1.0), (0.5, 1.0), (0.5, 1.0)]

For operators that define a generator, the parameter frequencies are directly related to the eigenvalues of the generator:

>>> op = qml.ControlledPhaseShift(0.1, wires=[0, 1])
>>> op.parameter_frequencies
[(1,)]
>>> gen = qml.generator(op, format="observable")
>>> gen_eigvals = qml.eigvals(gen)
>>> qml.gradients.eigvals_to_frequencies(tuple(gen_eigvals))
(np.float64(1.0),)

For more details on this relationship, see eigvals_to_frequencies().

parameters

Trainable parameters that the operator depends on.

pauli_rep

A PauliSentence representation of the Operator, or None if it doesn’t have one.

resource_keys = {'num_wires', 'u_reps', 'v_wires'}

The set of parameters that affects the resource requirement of the operator.

All decomposition rules for this operator class are expected to have a resource function that accepts keyword arguments that match these keys exactly. The resource_rep() function will also expect keyword arguments that match these keys when called with this operator type.

The default implementation is an empty set, which is suitable for most operators.

See also

resource_params()

resource_params
wires

Wires that the operator acts on.

Returns:

wires

Return type:

Wires

adjoint()

Create an operation that is the adjoint of this one.

compute_decomposition(*params, wires, U, V)

Representation of the operator as a product of other operators (static method).

compute_diagonalizing_gates(*params, wires, ...)

Sequence of gates that diagonalize the operator in the computational basis (static method).

compute_eigvals(*params, **hyperparams)

Eigenvalues of the operator in the computational basis (static method).

compute_matrix(*params, **hyperparams)

Representation of the operator as a canonical matrix in the computational basis (static method).

compute_sparse_matrix(*params[, format])

Representation of the operator as a sparse matrix in the computational basis (static method).

decomposition()

Representation of the operator as a product of other operators.

diagonalizing_gates()

Sequence of gates that diagonalize the operator in the computational basis.

eigvals()

Eigenvalues of the operator in the computational basis.

generator()

Generator of an operator that is in single-parameter-form.

label([decimals, base_label, cache])

A customizable string representation of the operator.

map_wires(wire_map)

Returns a copy of the current operator with its wires changed according to the given wire map.

matrix([wire_order])

Representation of the operator as a matrix in the computational basis.

pow(z)

A list of new operators equal to this one raised to the given power.

queue([context])

Append the operator to the Operator queue.

simplify()

Reduce the depth of nested operators to the minimum.

single_qubit_rot_angles()

The parameters required to implement a single-qubit gate as an equivalent Rot gate, up to a global phase.

sparse_matrix([wire_order, format])

Representation of the operator as a sparse matrix in the computational basis.

terms()

Representation of the operator as a linear combination of other operators.

adjoint()

Create an operation that is the adjoint of this one. Used to simplify Adjoint operators constructed by adjoint().

Adjointed operations are the conjugated and transposed version of the original operation. Adjointed ops are equivalent to the inverted operation for unitary gates.

Operator.adjoint can be optionally defined by Operator developers, while adjoint() is the entry point for constructing generic adjoint representations.

Returns:

The adjointed operation.

>>> class MyClass(qml.operation.Operator):
...
...     def adjoint(self):
...         return self
...
>>> op = qml.adjoint(MyClass(wires=0))
>>> op
Adjoint(MyClass(wires=[0]))
>>> op.decomposition()
[MyClass(wires=[0])]
>>> op.simplify()
MyClass(wires=[0])
static compute_decomposition(*params, wires, U, V)[source]

Representation of the operator as a product of other operators (static method).

static compute_diagonalizing_gates(*params, wires, **hyperparams)

Sequence of gates that diagonalize the operator in the computational basis (static method).

Given the eigendecomposition \(O = U \Sigma U^{\dagger}\) where \(\Sigma\) is a diagonal matrix containing the eigenvalues, the sequence of diagonalizing gates implements the unitary \(U^{\dagger}\).

The diagonalizing gates rotate the state into the eigenbasis of the operator.

Parameters:
  • params (list) – trainable parameters of the operator, as stored in the parameters attribute

  • wires (Iterable[Any], Wires) – wires that the operator acts on

  • hyperparams (dict) – non-trainable hyperparameters of the operator, as stored in the hyperparameters attribute

Returns:

list of diagonalizing gates

Return type:

list[.Operator]

static compute_eigvals(*params, **hyperparams)

Eigenvalues of the operator in the computational basis (static method).

If diagonalizing_gates are specified and implement a unitary \(U^{\dagger}\), the operator can be reconstructed as

\[O = U \Sigma U^{\dagger},\]

where \(\Sigma\) is the diagonal matrix containing the eigenvalues.

Otherwise, no particular order for the eigenvalues is guaranteed.

Parameters:
  • *params (list) – trainable parameters of the operator, as stored in the parameters attribute

  • **hyperparams (dict) – non-trainable hyperparameters of the operator, as stored in the hyperparameters attribute

Returns:

eigenvalues

Return type:

tensor_like

static compute_matrix(*params, **hyperparams)

Representation of the operator as a canonical matrix in the computational basis (static method).

The canonical matrix is the textbook matrix representation that does not consider wires. Implicitly, this assumes that the wires of the operator correspond to the global wire order.

Parameters:
  • *params (list) – trainable parameters of the operator, as stored in the parameters attribute

  • **hyperparams (dict) – non-trainable hyperparameters of the operator, as stored in the hyperparameters attribute

Returns:

matrix representation

Return type:

tensor_like

static compute_sparse_matrix(*params, format='csr', **hyperparams)

Representation of the operator as a sparse matrix in the computational basis (static method).

The canonical matrix is the textbook matrix representation that does not consider wires. Implicitly, this assumes that the wires of the operator correspond to the global wire order.

See also

sparse_matrix()

Parameters:
  • *params (list) – trainable parameters of the operator, as stored in the parameters attribute

  • format (str) – format of the returned scipy sparse matrix, for example ‘csr’

  • **hyperparams (dict) – non-trainable hyperparameters of the operator, as stored in the hyperparameters attribute

Returns:

sparse matrix representation

Return type:

scipy.sparse._csr.csr_matrix

decomposition()

Representation of the operator as a product of other operators.

\[O = O_1 O_2 \dots O_n\]

A DecompositionUndefinedError is raised if no representation by decomposition is defined.

Returns:

decomposition of the operator

Return type:

list[Operator]

diagonalizing_gates()

Sequence of gates that diagonalize the operator in the computational basis.

Given the eigendecomposition \(O = U \Sigma U^{\dagger}\) where \(\Sigma\) is a diagonal matrix containing the eigenvalues, the sequence of diagonalizing gates implements the unitary \(U^{\dagger}\).

The diagonalizing gates rotate the state into the eigenbasis of the operator.

A DiagGatesUndefinedError is raised if no representation by decomposition is defined.

Returns:

a list of operators

Return type:

list[.Operator] or None

eigvals()

Eigenvalues of the operator in the computational basis.

If diagonalizing_gates are specified and implement a unitary \(U^{\dagger}\), the operator can be reconstructed as

\[O = U \Sigma U^{\dagger},\]

where \(\Sigma\) is the diagonal matrix containing the eigenvalues.

Otherwise, no particular order for the eigenvalues is guaranteed.

Note

When eigenvalues are not explicitly defined, they are computed automatically from the matrix representation. Currently, this computation is not differentiable.

A EigvalsUndefinedError is raised if the eigenvalues have not been defined and cannot be inferred from the matrix representation.

Returns:

eigenvalues

Return type:

tensor_like

generator()

Generator of an operator that is in single-parameter-form.

For example, for operator

\[U(\phi) = e^{i\phi (0.5 Y + Z\otimes X)}\]

we get the generator

>>> U.generator() 
0.5 * Y(0) + Z(0) @ X(1)

The generator may also be provided in the form of a dense or sparse Hamiltonian (using LinearCombination and SparseHamiltonian respectively).

label(decimals=None, base_label=None, cache=None)

A customizable string representation of the operator.

Parameters:
  • decimals=None (int) – If None, no parameters are included. Else, specifies how to round the parameters.

  • base_label=None (str) – overwrite the non-parameter component of the label

  • cache=None (dict) – dictionary that carries information between label calls in the same drawing

Returns:

label to use in drawings

Return type:

str

Example:

>>> op = qml.RX(1.23456, wires=0)
>>> op.label()
'RX'
>>> op.label(base_label="my_label")
'my_label'
>>> op = qml.RX(1.23456, wires=0)
>>> op.label()
'RX'
>>> op.label(decimals=2)
'RX\n(1.23)'
>>> op.label(base_label="my_label")
'my_label'
>>> op.label(decimals=2, base_label="my_label")
'my_label\n(1.23)'

If the operation has a matrix-valued parameter and a cache dictionary is provided, unique matrices will be cached in the 'matrices' key list. The label will contain the index of the matrix in the 'matrices' list.

>>> op2 = qml.QubitUnitary(np.eye(2), wires=0)
>>> cache = {'matrices': []}
>>> op2.label(cache=cache)
'U\n(M0)'
>>> cache['matrices']
[tensor([[1., 0.],
 [0., 1.]], requires_grad=True)]
>>> op3 = qml.QubitUnitary(np.eye(4), wires=(0,1))
>>> op3.label(cache=cache)
'U\n(M1)'
>>> cache['matrices']
[tensor([[1., 0.],
        [0., 1.]], requires_grad=True),
tensor([[1., 0., 0., 0.],
        [0., 1., 0., 0.],
        [0., 0., 1., 0.],
        [0., 0., 0., 1.]], requires_grad=True)]
map_wires(wire_map)

Returns a copy of the current operator with its wires changed according to the given wire map.

Parameters:

wire_map (dict) – dictionary containing the old wires as keys and the new wires as values

Returns:

new operator

Return type:

.Operator

matrix(wire_order=None)

Representation of the operator as a matrix in the computational basis.

If wire_order is provided, the numerical representation considers the position of the operator’s wires in the global wire order. Otherwise, the wire order defaults to the operator’s wires.

If the matrix depends on trainable parameters, the result will be cast in the same autodifferentiation framework as the parameters.

A MatrixUndefinedError is raised if the matrix representation has not been defined.

See also

compute_matrix()

Parameters:

wire_order (Iterable) – global wire order, must contain all wire labels from the operator’s wires

Returns:

matrix representation

Return type:

tensor_like

pow(z)

A list of new operators equal to this one raised to the given power. This method is used to simplify Pow instances created by pow() or op ** power.

Operator.pow can be optionally defined by Operator developers, while pow() or op ** power are the entry point for constructing generic powers to exponents.

Parameters:

z (float) – exponent for the operator

Returns:

list[Operator]

>>> class MyClass(qml.operation.Operator):
...
...     def pow(self, z):
...         return [MyClass(self.data[0]*z, self.wires)]
...
>>> op = MyClass(0.5, 0) ** 2
>>> op
MyClass(0.5, wires=[0])**2
>>> op.decomposition()
[MyClass(1.0, wires=[0])]
>>> op.simplify()
MyClass(1.0, wires=[0])
queue(context=<class 'pennylane.queuing.QueuingManager'>)

Append the operator to the Operator queue.

simplify()

Reduce the depth of nested operators to the minimum.

Returns:

simplified operator

Return type:

.Operator

single_qubit_rot_angles()

The parameters required to implement a single-qubit gate as an equivalent Rot gate, up to a global phase.

Returns:

A list of values \([\phi, \theta, \omega]\) such that \(RZ(\omega) RY(\theta) RZ(\phi)\) is equivalent to the original operation.

Return type:

tuple[float, float, float]

sparse_matrix(wire_order=None, format='csr')

Representation of the operator as a sparse matrix in the computational basis.

If wire_order is provided, the numerical representation considers the position of the operator’s wires in the global wire order. Otherwise, the wire order defaults to the operator’s wires.

A SparseMatrixUndefinedError is raised if the sparse matrix representation has not been defined.

Parameters:
  • wire_order (Iterable) – global wire order, must contain all wire labels from the operator’s wires

  • format (str) – format of the returned scipy sparse matrix, for example ‘csr’

Returns:

sparse matrix representation

Return type:

scipy.sparse._csr.csr_matrix

terms()

Representation of the operator as a linear combination of other operators.

\[O = \sum_i c_i O_i\]

A TermsUndefinedError is raised if no representation by terms is defined.

Returns:

list of coefficients \(c_i\) and list of operations \(O_i\)

Return type:

tuple[list[tensor_like or float], list[.Operation]]

Contents

Using PennyLane

Release news

Development

API

Internals